交流電流變送器(7B0) RS485 Modbus-rtu協議通信
HY194I-7B0單相交流電流變送器,是一種把交流電流信號隔離轉換成線性直流模擬信號輸出或RS485數字通信接口輸出。模擬量可選:DC0~20mA、DC4~20mA、DC0~5V、DC0~10V等變送輸出。RS-485數字通訊接口,采用國際標準Modbus-rtu通訊協議,可與各種PLC、HMI、組態軟件實現組網。
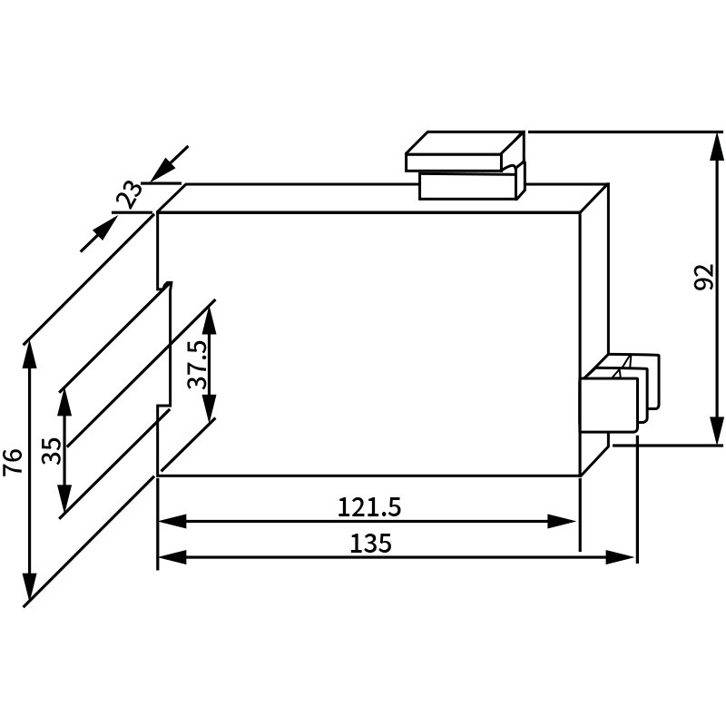
- 型號: HY194I-7B0
HY194I-7B0單相交流電流變送器,是一種把交流電流信號隔離轉換成線性直流模擬信號輸出或RS485數字通信接口輸出。模擬量可選:DC0~20mA、DC4~20mA、DC0~5V、DC0~10V等變送輸出。RS-485數字通訊接口,采用國際標準Modbus-rtu通訊協議,可與各種PLC、HMI、組態軟件實現組網。
單相交流電流變送器,是一種將電網中的電流參數,經隔離變送成線性的數字信號的裝置。模擬量可選:DC0~20mA、DC4~20mA、DC0~5V、DC0~10V等變送輸出。高精度測量單相交流電流,精度達0.2%、0.5%。RS485數字通信接口,采用國際標準Modbus-rtu通訊協議,可與各種PLC、HMI、組態軟件實現組網。


模擬量變送輸出可選:DC0~20mA、DC4~20mA、DC0~5V、DC0~10V等。模擬量變送輸出與輸入信號隔離,成線性對應關系,廣泛用于PLC、DCS等系統采集。精度0.5級;電流輸出時,負載電阻<500Ω;電壓輸出時,負載電阻>100KΩ。
(1) RS485通訊接口,異步半雙工模式。
(2) 通訊波特率2400、4800、9600、19200bps可設置,出廠默認值為9600bps。
(3) 數據格式:8個數據位、1個停止位、可選奇校驗、偶校驗、無校驗。
國際標準Modbus-rtu協議,儀表地址:1~247;本機目前支持03H、04H讀命令,03H、04H讀命令功能相同。通信參數通過上位機軟件設置。
報文格式說明:
命令04H(或03H):讀命令
主機請求: 地址 + 命令 + 數據地址 + 數據長度 + CRC校驗碼
1byte + 1byte + 2byte + 2byte + 2byte
地址:查詢儀表地址碼,可以在1~247內設置,占用 1個字節
命令:04H或03H,長度為 1個字節
數據地址:讀取的數據起始地址,占用 2個字節
數據長度:讀取的數據字長度
CRC16校驗碼:低8位在前,高8位在后,占用2個字節
從機響應: 地址 + 命令 + 數據長度 + 數據信息 + CRC校驗碼
1byte + 1byte + 1byte + nbyte + 2byte
地址:響應儀表地址碼,長度為1個字節
命令:04H或03H ,長度為 1個字節
數據長度:要發送的數據字節長度
數據信息:讀取的數據,具體見儀表參數地址表
CRC16校驗碼:低8位在前,高8位在,后占用2個字節
讀數據寄存器(功能代碼03H/04H):讀電流值,電流4.500A,儀表地址為1。
主機讀數據幀:

儀表回應數據幀:


說明:
讀出的電流為二次側的電流值,固定3位小數位,二次側的電流值=讀出值/1000,一次側的電流值=讀出值×CT變比/1000。
配電流互感器 電流直通


①,選擇電腦與模擬信號發生器RS485通信所用的串口號:

②,如何查看電腦所用的串口號:
在不清楚電腦所用的串口號時,進控制面板,設備管理器里查看,從下面圖片中可以看出,電腦是用的COM4口。


①,點“讀取通信參數”,等待讀取完成:

②,讀出通信參數完成,提示讀取成功(如果提示讀取失敗,請檢查所選串口號,設備接線是否正確),當前設置所用通信參數為:波特率9600,偶校驗,8位數據位,1位停止位,設備地址為5:

①,在軟件上設置設備要通信的參數,點“設置通信參數”,開始進行設置,此處設置設備的通信參數為:波特率19200,數據位8位,偶校驗,1位停止位,設備地址5

②,設置完成,此時會提示設置通信參數是否成功(如果提示讀取失敗,請檢查所選串口號,設備接線是否正確)

